2DB16-200926
Can't find what you're looking for? Go to the Product Selector
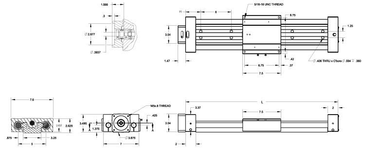
2DB16G0N0960-300N261A0A00, 直線運動單元, 2DB, 滾珠絲桿 Drive, 滾珠 Guide, 0.0020 英寸 Repeatability, 無預加載, 84.46 英寸 Stroke, 單個標準滑塊, 0.200 英寸 Travel Per Shaft Rev, Inline, 8.33 Maximum Linear Speed
- 集成式雙導軌連接軸,適合所有方向的負載
- 低斷面高度
- Super Smart襯套軸承具有低摩擦系數,可實現平穩運動
- 易于安裝
- 可選耐腐蝕選項
- 內部滾珠絲杠組件
