512U25B2ES1
Can't find what you're looking for? Go to the Product Selector
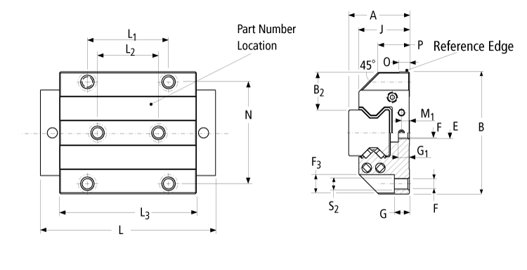
方形導軌, 500 Series 滾柱 滑塊, 尺寸: 25 毫米, 超高精密 牌號, B 類型, 2 - 約 0.08 C 預加載, 鋼 , ES1 - 端蓋偏置潤滑
- Smooth, quiet movement through patented insert molded recirculation paths and optimized geometries.
- Simple installation and greater accuracy with joint-free rails up to 6 meters.
- 最長可達6米的無關節導軌具有簡單安裝和更高精度
- 通過專利插件循環滾道和優化尺寸實現平穩、安靜的運動。
