776-10-037
Can't find what you're looking for? Go to the Product Selector
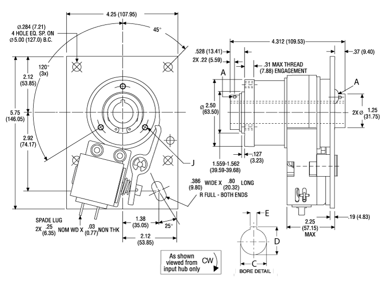
Clutch, SAC6SUPERHICW115AC.75B4ST, 扭簧, Solenoid Actuated Clutch, 螺線管驅動,扭簧離合器-6, CW Rotation, 輪轂輸入, 0.7505 / 0.7525 英寸 Bore, 4 Stop, 115 Vac, 500 in-lbs 靜態力矩, Special
- SAC系列有4個預裝配、電磁驅動、扭簧離合器套裝,可在單相交流或直流脈沖下精確地開始負載運行,轉速最高可達1800 RPM(取決于尺寸)。可調節停止控制止動環提供簡單和精確的輸出停止位置設定。典型的SAC系列離合器可在3毫秒內完成負載加速。它們與PC以及工業控制系統的連接也非常簡單。SAC系列離合器是準確、可重復、反應快速、簡單且無需維護的低成本產品。
- 電磁驅動,扭簧離合器套件
- RoHS認證
