CS-22B24-E06-E06

CS-22B24-E06-E06
CS-22B24-E06-E06

Clutch, 摩擦, Shaft Mounted Clutch, CS系列-22, 2.26 英寸 Outside Diameter, 0.3750 英寸 Bore, 24 Vdc, 40 in-lbs 靜態力矩


  • 電磁離合器提供了電機與負載間可電控切換的高效連接。離合器被用于通過滑輪、齒輪或帶輪連接兩個平行軸。同時防轉片或法蘭可防止現場(電磁)組件旋轉,轉子和電樞組件被安裝在單個軸上,轉子被固定在軸上。
  • 電樞采用軸承安裝,可以自由旋轉。當線圈通電時,電樞接合轉子的摩擦表面,從而驅動負載。

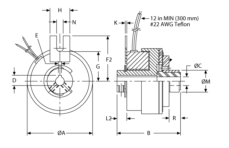
Dimensions

dimensions
尺寸價值
[A]2.26 英寸
[B]2.2 英寸
[C] Hub ID Ø, Min/Max0.3750 英寸 
[D] 最大值.425 in 
[E] 最大值.094 in 
[F2]1.52 英寸
[G]1.16 英寸
[H]0.44 英寸
[K]0.06 英寸
[L2]0.36 英寸
[M]0.756 英寸
[N]0.19 in 
[R]0.37 英寸
電樞孔0.375 英寸

Specifications

Specifications價值
(CB) [A] ODStarting 
(CB) [A] ODClutch 
(CB) [A] OD22 
Voltage24 Vdc 
Weight1.1 lb
材質鋼  
拋光拋光 

Performance

Performance價值
靜態力矩40 in-lbs

Get Quote

*Please fill out the information below so we can best assist you:

您想定期收到湯姆森電子郵件更新,包括應用故事,在線培訓的機會,新產品信息和鏈接在線設計工具。