D12-10B5-24
Can't find what you're looking for? Go to the Product Selector
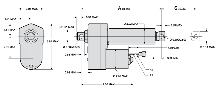
執行器, Electrak 10, 12 直流電壓伏特, 1000 磅力, 24 英寸, 無反饋, Cable length 7 英寸, Connector, 兩個接頭均處于0° 位置(標準), 0.80 英寸每秒 移動速度 @ 滿載
- 堅固、耐用、可靠
- 不銹鋼延長管
- Highly efficient ball screw drive system
- 過載離合器實現中間和末端行程保護
- 帶熱開關的電機
- 免維護
