FNYBUPBO08A-XS
Can't find what you're looking for? Go to the Product Selector
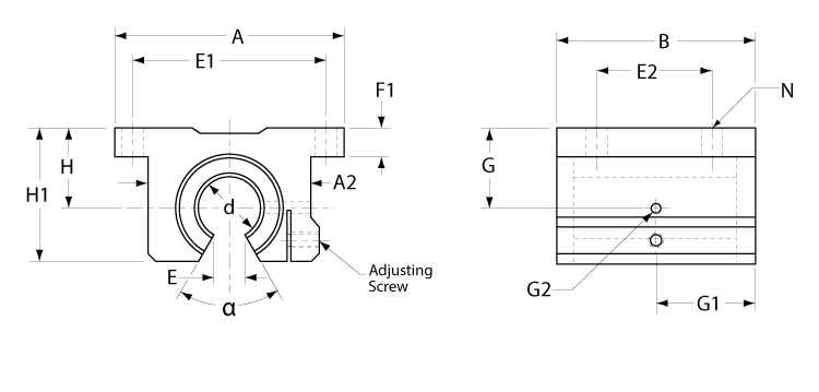
直線軸承, Bushing, Pillow Block, FluoroNyliner, 0.5 英寸, 開口型, 自調心, 精密內徑, 耐腐蝕, 兩端均集成刮塵片, 氧化發黑; 配合使用 0.5 英寸 直徑 L級 連續支撐應用中的軸
- 用于連續支撐軸的開口型軸承座
- 用于L級碳鋼或不銹鋼導向軸。
- 每個軸承座中都有出廠安裝的Fluoronyliner襯套軸承
- 黑色陽極氧化鋁合金(無圖片)
