MBF-40B24-M20L

MBF-40B24-M20L
MBF-40B24-M20L

Brake, 摩擦, Metric Brake, MBF系列-40, 100 毫米 Outside Diameter, 20 毫米 Bore, 24 Vdc, 22 Nm 靜態力矩, Long Hub


  • 這些裝置適用于小批量、大批量和高批量應用。
  • 零側隙設計
  • 靜態或動態嚙合
  • 安裝簡單
  • 高效節能
  • 經濟成本
  • 可用“現狀”或定制
  • RoHS認證

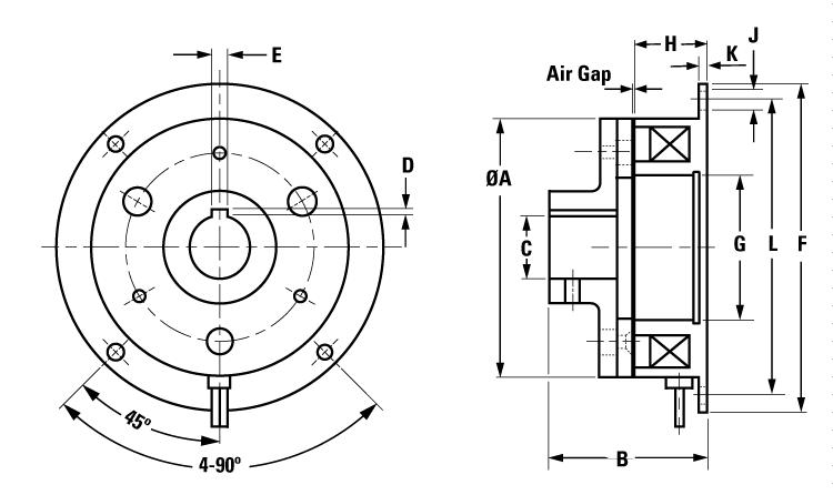
Dimensions

dimensions
尺寸價值
[A]100 毫米
[B]53 毫米
[C] Hub ID Ø, Min/Max20 毫米 
[D] 最大值2.5 mm 
[E] 最大值6 mm 
[F]125 毫米
[G]52 毫米
[H]22 毫米
[J]7 毫米
[K]3.1 毫米
[L]112 毫米
[N]41 毫米

Specifications

Specifications價值
(CB) [A] ODLong Hub 
(CB) [A] ODHolding 
(CB) [A] ODBrake 
(CB) [A] OD40 
Voltage24 Vdc 
Weight1.1 kg
材質鋼  

Performance

Performance價值
靜態力矩22 Nm

Get Quote

*Please fill out the information below so we can best assist you:

您想定期收到湯姆森電子郵件更新,包括應用故事,在線培訓的機會,新產品信息和鏈接在線設計工具。