MX24-B8M15-P1

MX24-B8M15-P1
MX24-B8M15-P1

執行器, Max Jac, 24 直流電壓伏特, 800 N, 150 毫米, 電位計, Cable length 300 毫米, Connector, 30 毫米每秒 移動速度 @ 滿載


  • 設計用于工業應用
  • 堅固可靠的鋁合金外殼,IP69K防護等級
  • 高效率
  • 高耐腐蝕性能的耐磨陽極氧化處理
  • 幾乎免維護
  • 非接觸模擬位置反饋信號

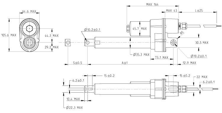
Dimensions

dimensions
尺寸價值
[A]306 毫米
[L]300 毫米
[S]150 毫米

Specifications

Specifications價值
Anti-rotation否 
Cable length300 毫米
ConnectionConnector 
Connector TypeAMP Superseal Series 1.5 
End Play, Max0.3 毫米
Manual Override否 
Motor ControlNone 
Protection, End-of-strokeNone 
Protection, OverloadNone 
Temperature Max85 °C
Temperature Min-40 °C
Weight1.9 kg
材質銅;鋼;鋅;鋁合金;塑料 
電壓24 直流電壓伏特 
額定行程150 毫米
反饋電位計 
防護等級IP66/IP69K 
絲杠類型滾珠絲桿 

Performance

performance graphic
performance graphic
Performance價值
Duty Cyle25 %
負載,動態800 N
負載,最大靜態350 N
移動速度 @ 空載60 毫米每秒
移動速度 @ 滿載30 毫米每秒

Get Quote

*Please fill out the information below so we can best assist you:

您想定期收到湯姆森電子郵件更新,包括應用故事,在線培訓的機會,新產品信息和鏈接在線設計工具。