RADMO-34B

RADMO-34B
RADMO-34B

直線運動單元, RADIAL MOUNT 34B


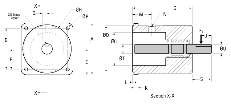
  • Radial Mount shaft extenders are supplied with RMC-34B Radial Mount Coupling.
  • Use for the mounting of actuating devices that will impart a cantilever load to the ball screw shaft extension.
  • May be used with: – Pulley and Belt Drives – Hand Cranks – Pinion Gears

Dimensions

dimensions
尺寸價值
[A]3.26 英寸
[B]2.74 英寸
[D]2.88 英寸
[E]1.63 英寸
[F]1.37 英寸
[G]3.625 英寸
[H]3 英寸
[J]0.5 英寸
[K]0.25 英寸
[L]0.16 英寸
[M]1.2 英寸
[N]0.5 英寸
[P]0.22 英寸
[Q]0.48 英寸
[S]1.26 英寸
[T]0.626 英寸
[U]0.626 英寸

Specifications

Specifications價值
Use with2EB16 

Get Quote

*Please fill out the information below so we can best assist you: