SB-23B24-M08S

SB-23B24-M08S
SB-23B24-M08S

Brake, 摩擦, Power off Servo Brake Assembly, SB系列-23, 2.36 英寸 Outside Diameter, 8 毫米 Bore, 24 Vdc, 35 in-lbs 靜態力矩, Short Hub


  • 單向控制器
  • 設計緊湊
  • 長壽命制動襯墊(無石棉)
  • 低慣性旋轉部件,能夠實現更高的加速度
  • UL認證H級絕緣系統,采用環氧樹脂密閉,可在極端環境中運行
  • 花鍵驅動結構可承受伺服系統施加的高沖擊應力

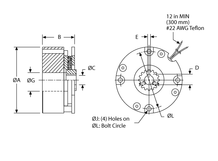
Dimensions

dimensions
尺寸價值
[A]2.36 英寸
[B]1.4 英寸
[C] Hub ID Ø, Min/Max8 毫米 
[G]0.79 英寸
[J]0.177 英寸
[L]2.05 英寸

Specifications

Specifications價值
(CB) [A] ODShort Hub 
(CB) [A] ODHolding 
(CB) [A] ODBrake 
(CB) [A] OD23 
Power, Max13 W
Temperature Max180 °C
Voltage24 Vdc 
Weight1.1 lb
材質鋼  
拋光拋光 
轉動慣量0.000055 lb-in-sec²

Performance

Performance價值
Armature disengage20 ms
Armature Engage70 ms
Energy Dissipation1200 ft-lb/min
靜態力矩35 in-lbs

Get Quote

*Please fill out the information below so we can best assist you:

您想定期收到湯姆森電子郵件更新,包括應用故事,在線培訓的機會,新產品信息和鏈接在線設計工具。